¿¹Î¢ÉúÎïÏû»¯ÏµÍ³½âÈÈÕòÍ´µ÷ÀíÃâÒßÖ×ÁöÁìÓòÐÄÄÔѪ¹Ü¿¹Ê§³£·´Ó¦µ÷ÀíѪÌǾ«ÉñÕϰѪÈÝÁ¿À©ÈÝ
ʱ¼ä£º2019-06-17¡¡¡¡µã»÷Á¿£º8893
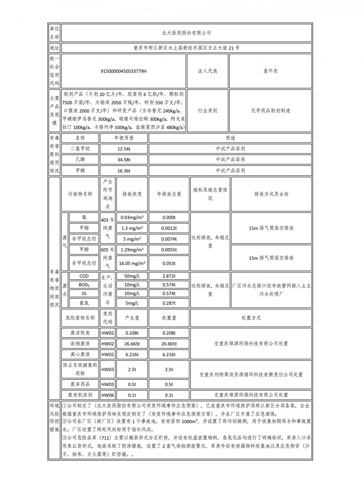
ƾ֤¡¶ÖлªÈËÃñ¹²ºÍ¹úÇå½àÉú²úÔö½ø·¨¡·¡¢¡¶Çå½àÉú²úÉóºË²½·¥¡·£¨ÖлªÈËÃñ¹²ºÍ¹ú¹ú¼ÒÉú³¤ºÍË¢ÐÂίԱ»á¡¢ÖлªÈËÃñ¹²ºÍ¹úÇéÐα£»¤²¿ÁîµÚ38ºÅ£©µÄÒªÇó£¬ÎÒµ¥Î»½«ÔÚ2019ÄêʵÑéÇ¿ÖÆÐÔÇå½àÉú²úÉóºËÊÂÇé¡£ÏÖÆ¾Ö¤Ö´ÂÉÀýÔò»®¶¨Ïò¹«ÖÚ¹«Ê¾2018Äê¶È²úÎÛÅÅÎÛ״̬¡£

ÁªÏµµç»°£º023-67502832
ÇëÉç»á¸÷½ç¶ÔÎÒ¹«Ë¾ÊµÑéÇå½àÉú²úÉóºËµÄÇéÐξÙÐмàÊÓ¡£
×Éѯµç»°£º023-63014398
ÓÊ¡¡¡¡±à£º400000
×ܲ¿µØÖ·£ºÖØÇìÊÐÓå±±Çø½ð¿ª´óµÀ56ºÅÁ½½ÌìµØÒ»µ¥Î»10Â¥
¿Í·þÈÈÏß
µç »°£º400-8310121¡¢800-8070918
ÁªÂçÓÊÏ䣺pkuhealthcare@pku-hc.com
¹Ù·½Î¢ÐÅ
¼Ò×åÁ´½Ó£º
°æÈ¨ËùÓÐ ? 2019 ÖÐÅ·ÌåÓý ÓåICP±¸09003354ºÅ |£¨Ó壩·Çı»®ÐÔ-2022-0198 | Óå¹«Íø°²±¸ 50019002500980ºÅ ÍøÕ¾ÉùÃ÷£º±¾ÍøÕ¾²¿·ÖͼƬÀ´×ÔÓÚÍøÂ磬ÈôÓÐÇÖȨ£¬ÇëÁªÏµÖÐÅ·ÌåÓýɾ³ý¡£
¡¡ÖØÇìÍøÕ¾½¨É裺¾Å¶È»¥Áª